
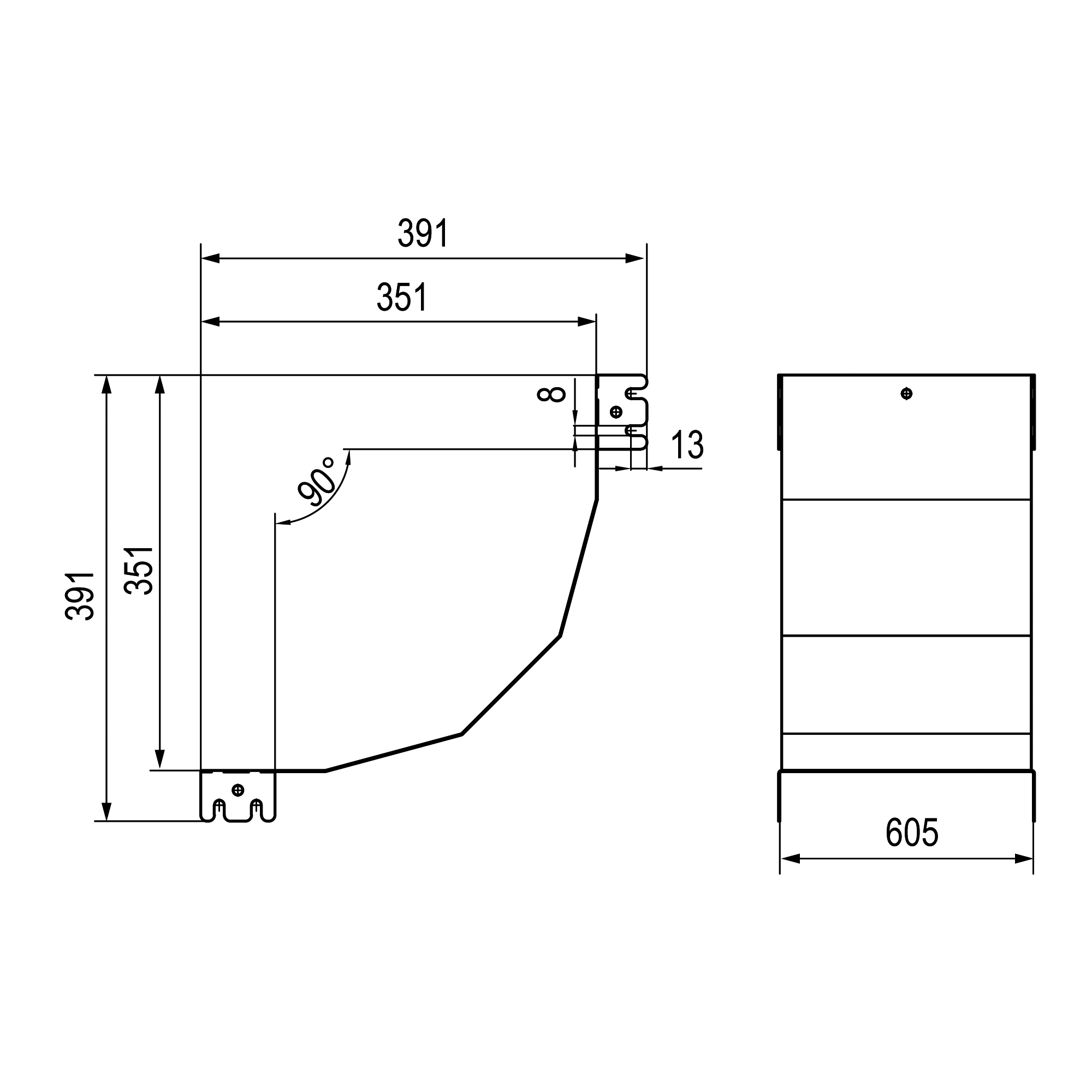
Крышка на угол вертикальный внутренний 90 градусов, 50х600 R900 в комплекте с крепежными элементами и соединительными пластинами,необходимыми для монтажа
Характеристики изделия
Цвет .......... Светло-серыйШирина, мм .......... 600
Защитное покрытие поверхности .......... Оцинковка горячим способом по методу сендзимира
Вид/ марка материала .......... Сталь
Материал .......... Сталь
Тип крепления .......... Привинчивание
Нержавеющая сталь травлёная .......... Нет
Отзывы не найдены