
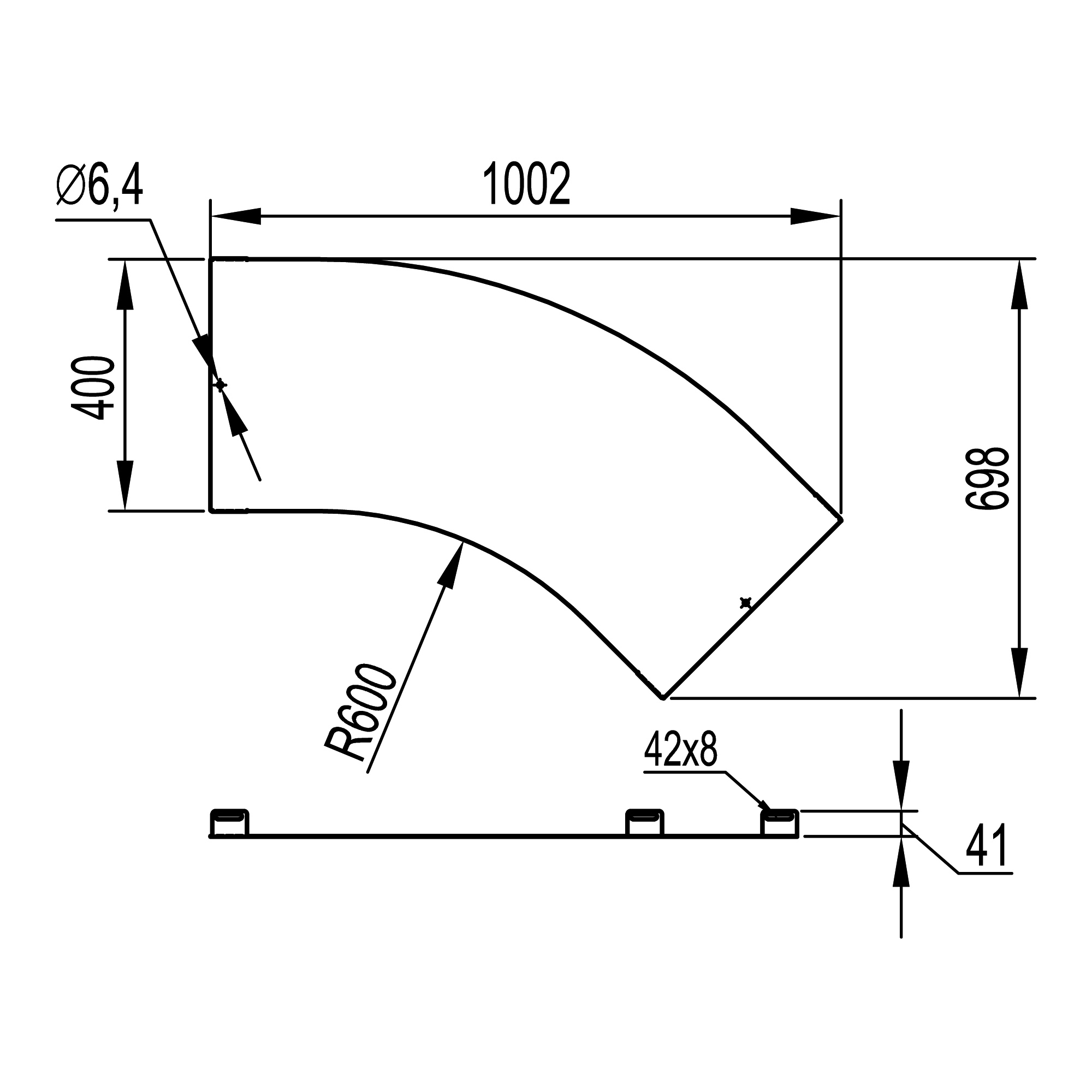
Крышка на угол горизонтальный 45?, осн.400, R-600, цинк-ламельная в комплекте с крепежными элементами и соединительными пластинами, необходимыми для монтажа
Характеристики изделия
Цвет .......... Светло-серыйШирина, мм .......... 400
Защитное покрытие поверхности .......... Цинк-ламельное покрытие
Вид/ марка материала .......... Сталь
Материал .......... Сталь
Тип крепления .......... Привинчивание
Подходит для лестничного лотка .......... Да
Отзывы не найдены