
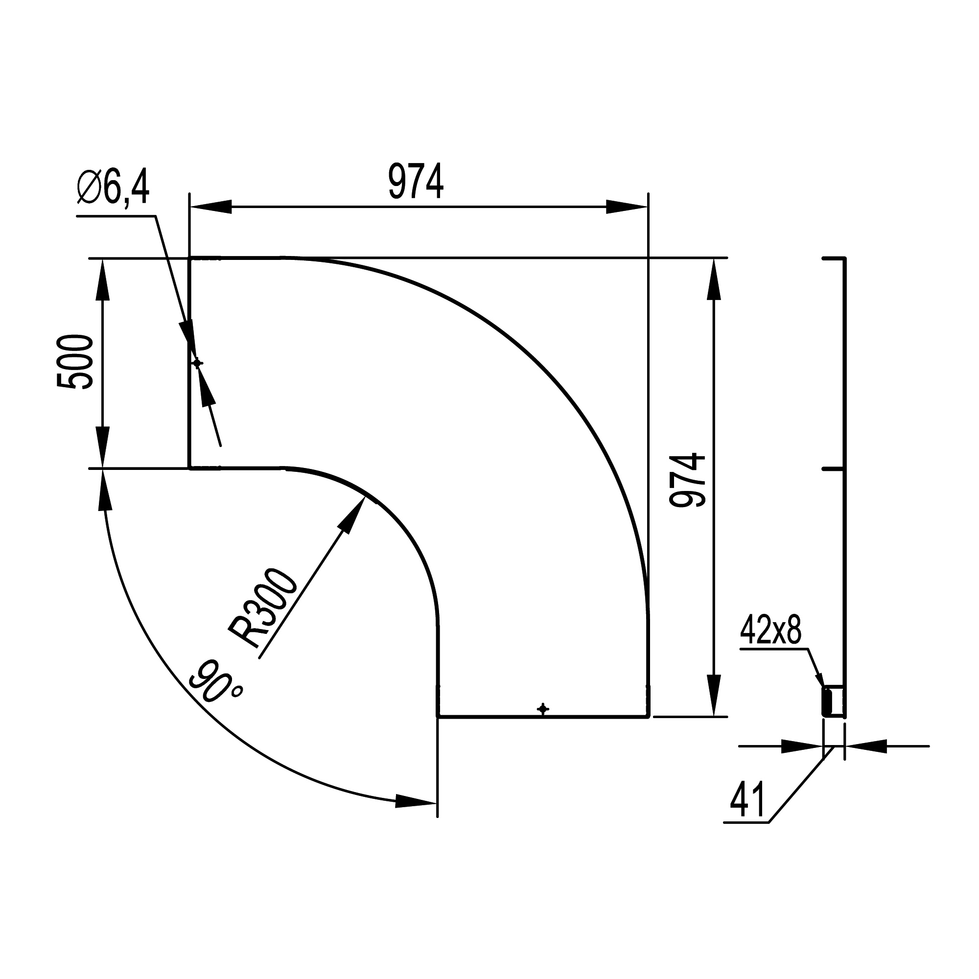
Крышка на угол горизонтальный 90 градусов, осн.500, R=300мм в комплекте с крепежными элементами и соединительными пластинами, необходимыми для монтажа
Характеристики изделия
Цвет .......... Светло-серыйШирина, мм .......... 500
Защитное покрытие поверхности .......... Оцинковка горячим способом по методу сендзимира
Вид/ марка материала .......... Сталь
Материал .......... Сталь
Тип крепления .......... Привинчивание
Подходит для лестничного лотка .......... Да
Отзывы не найдены