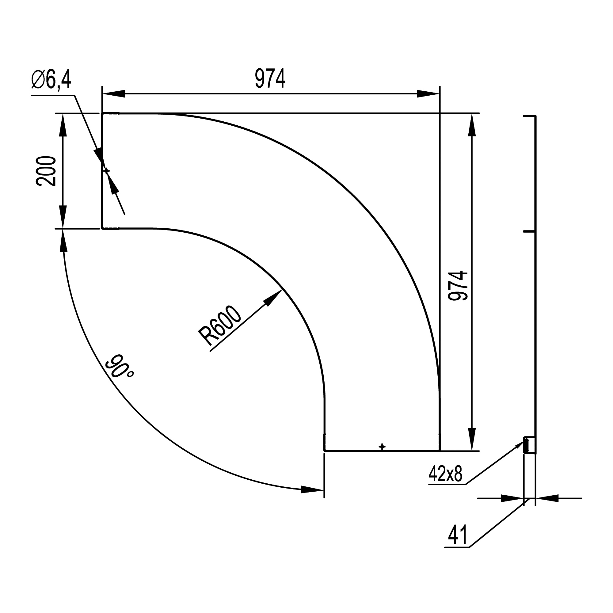
Крышка на угол горизонтальный 90 градусов, осн.200, R=600мм в комплекте с крепежными элементами и соединительными пластинами, необходимыми для монтажа
Характеристики изделия
Вид/ марка материала .......... СтальЦвет .......... Светло-серый
Ширина, мм .......... 200
Защитное покрытие поверхности .......... Оцинковка горячим способом по методу сендзимира
Материал .......... Сталь
Тип крепления .......... Привинчивание
Подходит для лестничного лотка .......... Да
Отзывы не найдены
