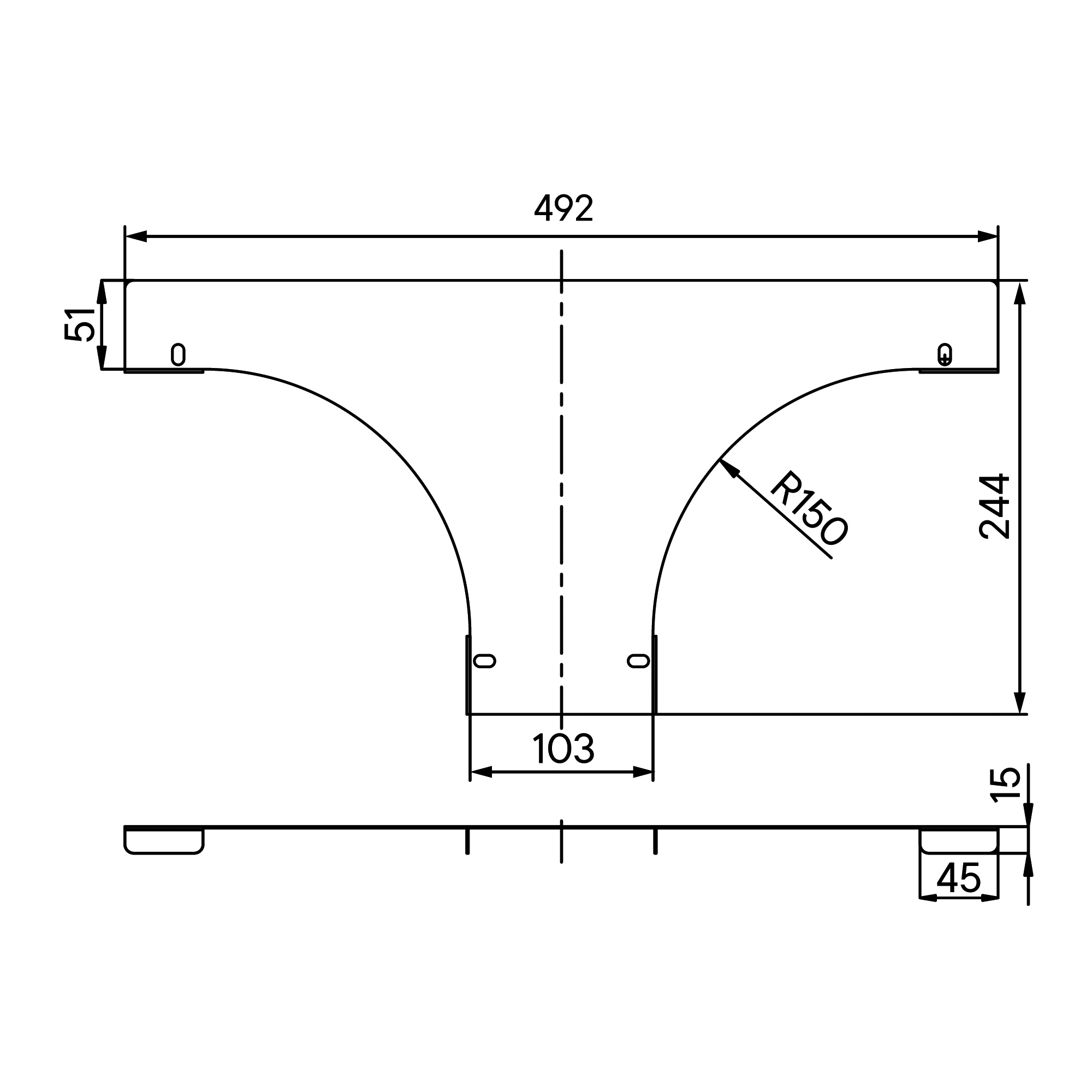
Крышка на ответвитель универсальный с основанием 100, 2,0 мм, в комплекте с крепежными элементами необходимыми для монтажа
Характеристики изделия
Цвет .......... Светло-серыйШирина, мм .......... 100
Материал .......... Сталь
Защитное покрытие поверхности .......... Непрерывное холодное цинкование
Тип крепления .......... Привинчивание
Отзывы не найдены
