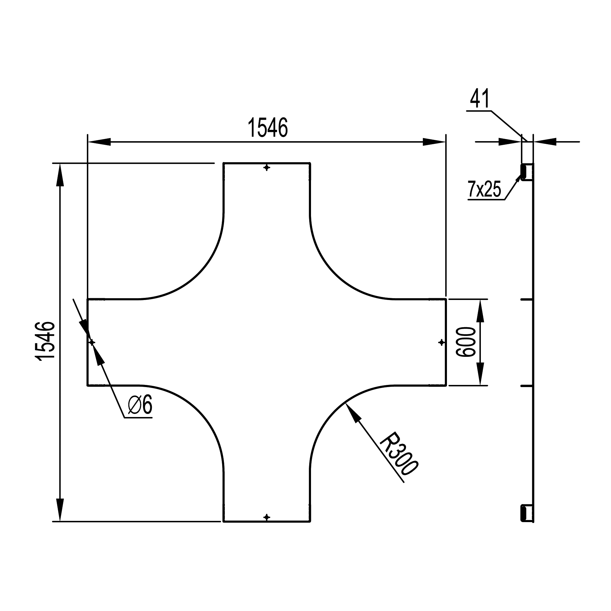
Крышка на X-ответвитель, осн.600, R=300мм в комплекте с крепежными элементами и соединительными пластинами, необходимыми для монтажа
Характеристики изделия
Цвет .......... Светло-серыйШирина, мм .......... 600
Защитное покрытие поверхности .......... Оцинковка горячим способом по методу сендзимира
Материал .......... Сталь
Тип крепления .......... Привинчивание
Подходит для лестничного лотка .......... Да
Вид/ марка материала .......... Сталь оцинкованная
Подходит для (листового) кабельного лотка .......... Да
Отзывы не найдены
