Металлический ограничитель радиуса изгиба кабеля,  L = 400 мм
Металлический ограничитель радиуса изгиба кабеля,  L = 400 мм
1 18535 

Металлический ограничитель радиуса изгиба кабеля,  L = 400 мм

460029
10 дн.
Гарантии безопасности
21 день на возврат
Безопасная онлайн-оплата
Официальная гарантия производителя
Стоимость и сроки доставки
Код товара460029
Описание
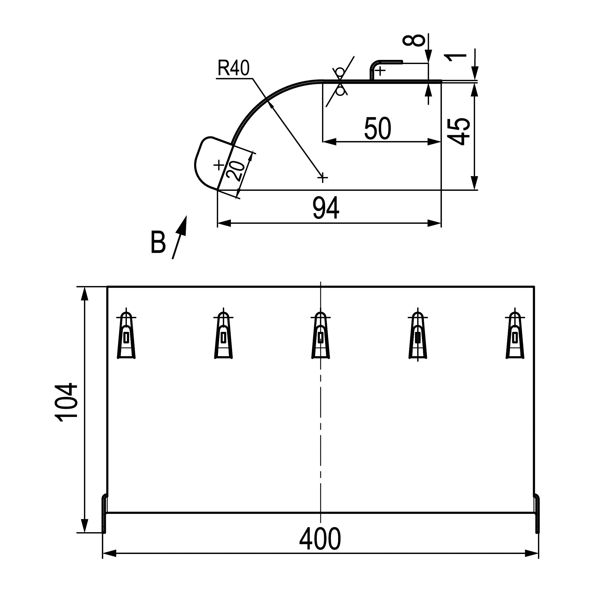
При организации переходов кабельной трассы по высоте или опуске кабеля к оборудованию он может подвергаться изгибам. Слишком резкий поворот или острый угол может повредить кабель, но контролировать угол изгиба самостоятельно сложно. Чтобы устранить риск повреждения проводов при прокладке, применяются ограничители радиуса изгиба кабеля. Они устанавливаются в лоток и обеспечивают плавный изгиб трассы. Плавный поворот способствует сохранению целостности кабеля. Быстрое безвинтовое крепление аксессуара позволяет сократить время монтажа. Радиус поворота ограничителя - 40 мм. Поворот подбирается, исходя из ширины лотка. Данный ограничитель предназначен для лотка шириной 400 мм.
Характеристики изделия
Цвет .......... Светло-серый
Защитное покрытие поверхности .......... Непрерывное холодное цинкование
Вид/ марка материала .......... Сталь
Материал .......... Сталь
Ширина лестничного лотка, мм .......... 400
Нержавеющая сталь травлёная .......... Нет
Исполнение для больших расстояний (усиленный) .......... Нет
Особенности
Массо-габаритные характеристики
Вес, кг
0.36
Единица измерения
шт
Заводская упаковка
1.0 шт
Объем, м3
0.00048
Общие характеристики
Страна происхождения
Россия
Штрихкод
4690309395240,4690309590959
Код товара
460029
Производитель
DKC
Артикул производителя
FC37045
Основные характеристики
Серия
f5 combitech
Тип изделия
ограничитель
Дополнительные характеристики
Материал изделия
Сталь
Покрытие
непрерывное холодное цинкование
Цвет
Светло-серый
Отзывы

Отзывы не найдены

Возможно, вас это заинтересует
  • Самые популярные
  • Распродажа
  • Недавно просмотренные
 
Быстро и качественно доставляем

Наша компания производит доставку по всей России и ближнему зарубежью

Гарантия качества и сервисное обслуживание

Мы предлагаем только те товары, в качестве которых мы уверены

Возврат товара в течение 21 дня

У вас есть 21 день для того чтобы протестировать вашу покупку